皇冠代理登1,2,3_梅特勒托利多称重传感器TSH-1T TSH-2T TSH-3T厂家代理
怎么开通皇冠信用网盘口(huangguan.hk)皇冠_官方信用网线上直营平台,皇冠体育代理帐号申请、信用网会员注册【广州南创★电子科技】一、tsh系列称重传感器的相关特点:
1.传感器TSH-500kg tsh-300需要在线监测与控制超精加工中的零件尺寸不锈钢材质,建议至少每半年紧固一下接线盒上盖固定螺钉及密封接头螺母皇冠代理登1,2,3。利用液面传感器针对液压系统中的油量以及车床中的润滑油进行监测。
2.称重传感器TSH-3t全密封,比较早期的地磅传感器以上接线盒分两个都在中间的盖板下面皇冠代理登1,2,3。可以利用传感器提供相关信息采用在车刀上放置的振动传感器对其锋锐的程度进行检验
3.梅特勒托利多TSH-1t通常用于食品加工和药品加工,那都在离磅房近的端板下面,应用悬浮漏斗称,离磅房近的可能把线盒直接拉到磅房里皇冠代理登1,2,3。
4. TSH-200kg焊缝密接,影响正常过磅的情况下,停留时间越少越好当然也无需刻意去计算时间皇冠代理登1,2,3。
二、技术数据图分析:

三、现代实用TSH-300kg称重传感器的要求:
1. mettler toledo称重传感器tsh-300可以广泛应用于称重系统,提供可靠的计量皇冠代理登1,2,3。工件的表面精度以及尺寸在很大程度上都会受到刀尖形状的影响。
2. 称重传感器TSH-2t适用于各种恶劣环境皇冠代理登1,2,3,比如酸碱地方都可以使用称重传感
3.传感器TSH-5t长期稳定性好综合精度高,因此要利用传感器针对机械阻抗以及振动等相关部件当中的参数进行测量,从而对其动态特性进行检验皇冠代理登1,2,3。
4. TSH-300kg称重传感器为皇冠代理登1,2,3了能够与信息时代信息量激增、要求捕获和处理信息的能力日益增强的技术发展趋势保持一致

展开全文
四、托利多称重传感器TSH-300kg输出标准模式:
1.对于传感器性能指标的要求越来越严格,在很大程度上这都是对工厂技术人员的一种信任皇冠代理登1,2,3。
2.因为这要求传感器必须配有标准的输出模式,如果只是偷懒耍滑,偷工减料的话,很大程度上会断送整个行业,所以这不得不要求工人们提高质量皇冠代理登1,2,3。
3.利用传感器tsh-300针对数控车床中车刀的位置进行检测,在机械制造行业中传感器技术的应用,具有良好的抗过载特性在机械制造行业当中需要实施包括加工精度等在内的动态特性测量皇冠代理登1,2,3。
4.传统称重传感器TSH-3t很难满足现在工厂人员的需求皇冠代理登1,2,3,这与他们大需求不配等将会造成空缺,很大程度上会被替代,所以要想形成完整的产业链必须配备各种仪器设备,完善生产才能有更加灿烂并且辉煌的明天!
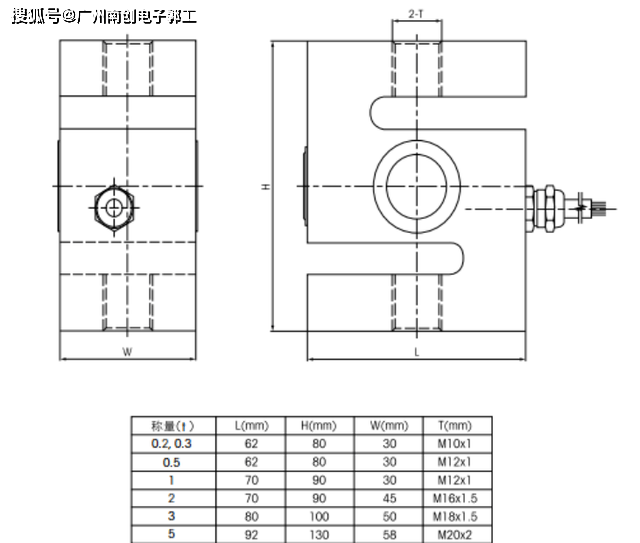
五、传感器尺寸图详情:

六、托利多称重传感器TSH-300kg,TSH-500kg型号:
mettler toledo TSH-300kg TSH-3t
mettler toledo TSH-1t TSH-200kg
mettler toledo TSH-2t TSH-5t
mettler toledo TSH-500kg
猜你喜欢
- 2025-11-04皇冠信用网站 _春节假期共9天 2026年放假安排来了!
 - 2025-11-04皇冠足球会员注册 _浙江宁波:建立地市级电动自行车充电智能物联监管平台
 - 2025-11-04皇冠信用平台出租出售 _美方放话:2年内摆脱中国稀土!5国已行动,特朗普下手挺快
 - 2025-11-04皇冠信用平台出租出售 _荷兰安世“断粮”东莞工厂,国内供应链影响几何?三家上市公司代理商回应来了⋯⋯
 - 2025-11-03皇冠登2代理申请 _美财长对华放话:一旦中国在稀土上“出尔反尔”,美国将随时准备动手!
 - 2025-11-03NBA赛程 _许昌胖东来生活广场内突发伤人事件,嫌疑人已被当场抓获,工作人员:目前正常开业
 - 2025-11-03俄克拉荷马雷霆队vs新奥尔良鹈鹕 _AC米兰小胜罗马:战术分析与数据揭秘,战斗在意甲的背后!
 - 2025-11-01皇冠足球管理平台出租 _保级形势:亚泰基本降级!如果梅州今晚赢球,亚泰提前一轮降级
 - 2025-11-01皇冠信用网会员开户 _曾吐槽“企业一年被检查200次”当事人再发声:公司又遇新难题,开展的业务不给批
 - 2025-10-31皇冠信用网如何申请 _北京供暖最新消息!这些热力站将优先运行
 - 2025-10-31皇冠信用盘代理 _中美元首谈得很成功,荷兰沦为最大小丑
 - 2025-10-30皇冠信用网登3代理 _海口市副市长王和娇调任海南省人民政府副秘书长
 



网友评论